
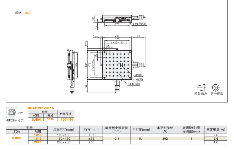
DJB91手動位移滑臺(XY軸)采用精密研磨絲杠驅動與交叉滾柱導軌相結合的設計,專為高精度、高剛性的二維微調應用而開發。該系列產品適用于光學對準、精密加工、半導體檢測、科研實驗等需要納米級穩定性和重復定位的場合。

1、核心特點:
(1)高精度研磨絲杠:提供優異的進給精度(±1μm以內)和平穩的操作手感,確保長期使用無回程間隙。
(2)交叉滾柱導軌:高剛性、低摩擦,具備出色的抗傾覆能力和載荷均勻性,適合高精度定位需求。
(3)雙軸獨立調節:X/Y軸正交布局,支持手動微調,可選配千分尺或微分頭,實現更精細的位移控制。
(4)高穩定性結構:采用優質合金材料,經精密加工與熱處理,確保長期使用不變形,抗磨損性能優異。
(5)模塊化設計:支持多軸組合或定制化行程,滿足不同應用場景需求。
2、典型應用:
·光學元件校準
·精密儀器調試
·微納加工定位
·自動化檢測設備



