
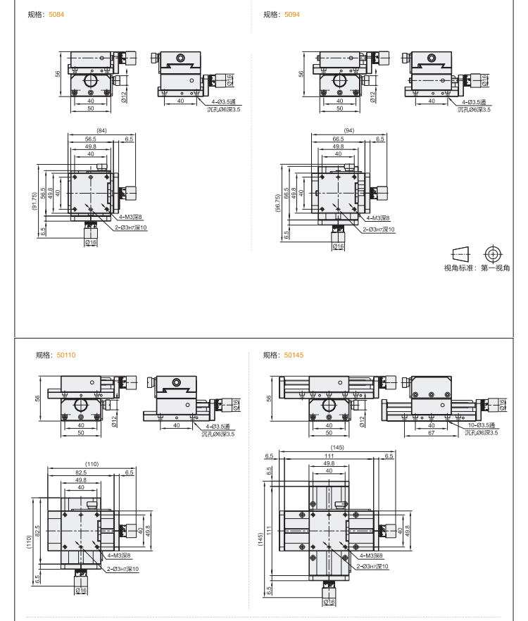
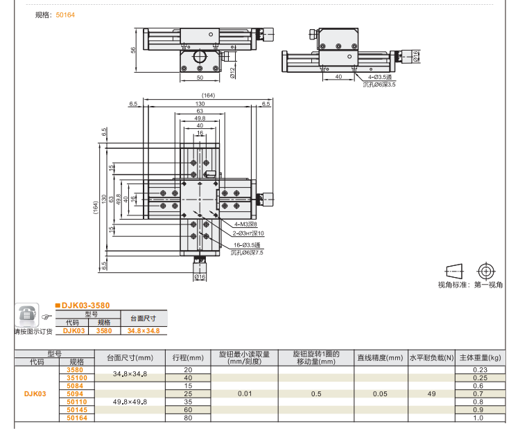
DJK03系列是專為大行程、重負載工況開發的工業級手動位移平臺,采用加強型燕尾槽導軌與高精度進給絲杠驅動系統,特別適用于需要長距離精密定位的重型設備與機床應用。

核心產品優勢:
(1)超長行程設計:標準行程范圍500-1500mm(支持非標定制至3m),保持全行程0.02mm/m直線度
(2)重載強化結構:
·加寬燕尾導軌面(接觸面積比常規型號大50%)
·雙重壁強化機身設計,最大負載達150kg
(3)精密傳動系統:
·直徑32mm大導程梯形絲杠(螺距10mm),兼顧快速移動與微調精度
·可調預緊消隙機構,重復定位精度±0.02mm
(4)工業環境適配:
·全封閉式導軌防護罩(IP55防護等級)
·可選集中潤滑接口,維護周期長達6個月




