
DLF31/33和DLF51/52手動位移滑臺是專為高精度、高剛性及重載應用設計的精密定位機構,適用于光學調整、自動化設備、精密測量及工業加工等領域。DLF31/33采用交叉滾子軸承導向+千分尺進給,確保高精度微調;DLF51/52采用角接觸球軸承+360°手動調節,提供重載支撐與靈活調整能力。兩款產品均具備優異的穩定性和耐久性,可滿足不同負載與精度的需求。

一、產品特點
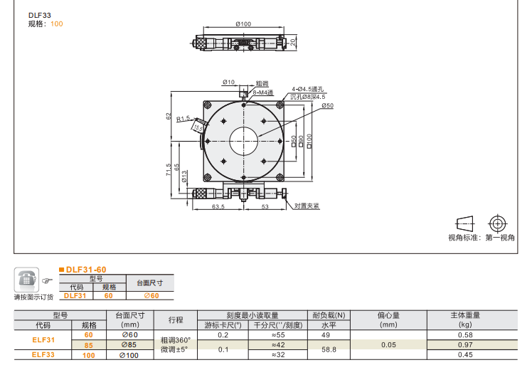
1、DLF31/33(交叉滾子軸承式+千分尺進給)
·高精度導向:交叉滾子軸承結構,剛性強,摩擦小,確保高直線度(±0.01mm)。
·千分尺微調:精密螺紋進給,調節精度達±0.005mm,適用于超精密定位。
·抗偏載能力強:交叉滾子軸承可承受徑向和軸向復合載荷,適合高穩定性需求。
·模塊化設計:可組合使用,構建多軸精密位移系統。


2、DLF51/52(角接觸球軸承式+360°手動調節)
·重載設計:角接觸球軸承提供高剛性支撐,承載能力更強,適用于重型設備調整。
·360°旋轉調節:手動旋鈕可實現快速大范圍定位,操作便捷。
·高穩定性:軸承預緊結構減少間隙,確保重復定位精度。
·防塵防銹:表面硬化處理,適用于工業環境長期使用。


二、性能對比

三、核心作用
(1)DLF31/33:適用于需要超高精度微調的場合,如光學元件對準、半導體檢測設備、實驗室精密儀器等。
(2)DLF51/52:適用于重型負載+快速調整需求,如CNC機床對刀、自動化產線工裝定位、大型設備校準等。

