電感式接近開關NBN4-F29-E0是一種用于非接觸式檢測金屬物體的低成本方法。當金屬物體移入或移出接近開關時,信號將自動改變以達到檢測目的。它的組成主要由三部分組成:放大輸出電路,開關電路和振蕩器。
電感式接近開關NBN4-F29-E0有2大特點:(1)3線直流(2)4 mm非齊平安裝
電感式接近開關NBN4-F29-E0的技術參數
1、一般說明
開關點功能:NPN常開
額定動作距離sn:4 mm
安裝:非齊平安裝
輸出極性:DC
可靠動作范圍sa:0...3.24 mm
衰減系數rAI:0.4
衰減系數rCu:0.3
衰減系數rV2A:0.7
2、額定等級
工作電壓UB:10...30 V
開關頻率f:0...1000 Hz
遲滯H:典型值5%
反極性保護:是
短路保護:沒有
電壓降Ud:≤3 V
工作電流IL:0...100 mA
漏電流Ir:0...0.5 mA典型值0.1μA在25oC時
空載電流Io:≤10 mA
開關狀態指示:黃色LED指示燈
3、符合標準
標準:IEC/EN 60947-5-2:2004
4、周圍環境
環境溫度:-25...70oC(248...343 K)
5、機械特性
接線形式:2 m,PVC電纜
導線截面積:0.14 mm2
外殼材料:PPS
感應面:PPS
防護等級:IP67
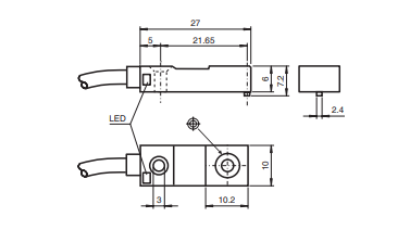
電感式接近開關NBN4-F29-E0外形尺寸

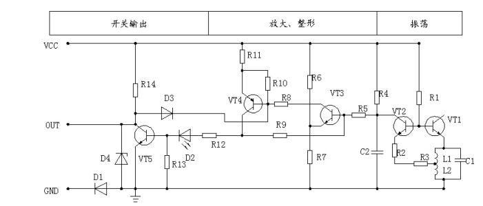
電感式接近開關工作原理
電感式接近開關三大組成部分之一的振蕩器,會產生一個交變磁場。當金屬物接近這一磁場,并達到了感應距離的時候,并會在金屬目標內產生渦流,進而導致振蕩衰減,以至停振。振蕩器振蕩及停振的變化被后級放大電路處理并轉換成開關信號,觸發驅動控制器件,從而達到非接觸式之檢測目的。
電感式接近開關的應用
電感式接近開關能很好的使用于一般的行程控制,其使用壽命、定位精度、操作頻率、安裝調整的方便性,以及對惡劣環境的適用能力,是一般機械開關所不能比的。因此它能夠被廣泛地應用于輕紡、機床、印刷、冶金、化工等行業。
電感式接近開關接線圖


